
Лестничные марши ЛМ 33-60-10
Лестничные марши ЛМ 33-60-10
Размеры:
- Длинна: 5760 мм.
- Ширина: 1050 мм.
- Высота: 1650 мм.
- Вес: 2400 кг.
- Объем бетона: 0,96 м3
- Геометрический объем: 9,9792 м3
- Цена: договорная
Лестничные марши ЛМ 33-60-10 важный элемент при возведении домов, высотные здания не могут быть построены без лестниц. Именно этот конструктивный элемент соединяет этажи дома. Все живущие люди могут свободно перемещаться к своим квартирам. Очень важно, чтобы эти изделия были прочными, не требовали длительного ремонта, были долговечными. Именно этим требованиям отвечает такой материал как железобетон. Из него изготавливают не только технические изделия, но и элементы зданий.
Лестничный марш с полуплощадками ЛМ 33-60-10 – это армированное железобетонное изделие особой формы, которое имеет в конструкции полуплощадки. Ряд ступеней выполнен монолитным, поэтому марш прочный и надежный.
1. Варианты маркировки.
Лестничные марши с полуплощадками ЛМ 33-60-10 маркируют согласно действующим стандартам. Основной из них – альбом РС 6161-88. Данный регламент строго предписывает, что в обозначении должны быть указаны тип изделия и его размерные ряд. С помощью дополнительной аббревиатуры указываются конструктивные особенности данного изделия. Маркировочные знаки могут быть записаны разными вариантами, что не является ошибкой. Укажем их:
1. ЛМ 33-60-10 ;
2. ЛМ 33.60.10.
2. Основная сфера применения.
Лестничные марши ЛМ 33-60-10 применяются для зданий гражданского и общественного назначения. Это основа, которая соединяет этажи здания. Располагают данный элемент на несущих балках. За счет того, что марш – это уже ряд готовых ступеней, не требуется выполнять длительный монтаж. Производится стыковка и закрепление частей. Это не только позволяет сэкономить время на постройку здания, но и значительно удешевляет строительный проект.
Конструкция не предполагает наличие фризовой ступени. Повсеместная эксплуатация производится не только в крупнопанельных строениях, но и промышленных сооружениях, где требуется перекрыть 6-метровый пролет. Могут использоваться в индустриальных постройках. Данные марши ЛМ 33-60-10 применяются для зданий с высокой интенсивностью движения людей и предусмотрен пропуск нескольких человек одновременно. Применением маршей ЛМ позволяет обеспечить не только комфортность в передвижении между этажами, но и максимальную безопасность. Все данные, технология производства и размеры закреплены в действующих стандартах – ГОСТ 13015.0-83 и ГОСТ 9818.0.85.
3. Маркировка изделия.
Маркировка производится согласно альбому РС 6161-88. Обязательно указывается группа – тип изделия, и вторая комбинация – округленные габаритные размеры в дециметрах. Все обозначения наносят на боковой грани, расположенной к стене. Дополнительно наносят массу, дату изготовления и товарный знак производителя. В обозначении указано:
- ЛМ – лестничный марш плоский;
- Цифровое обозначение – разменная группа, указаны все данные в дециметрах и округлены до целого числа.
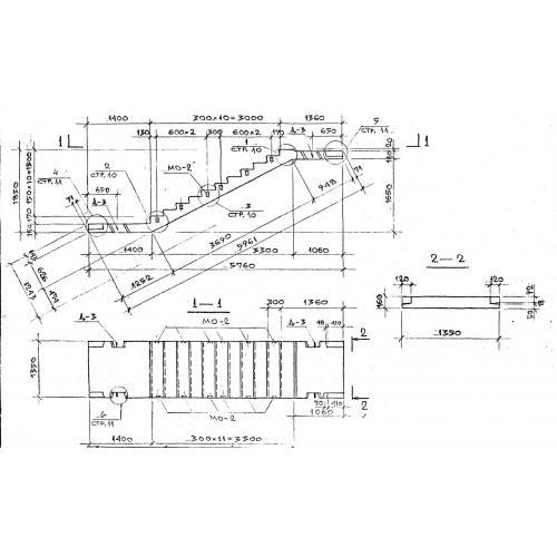
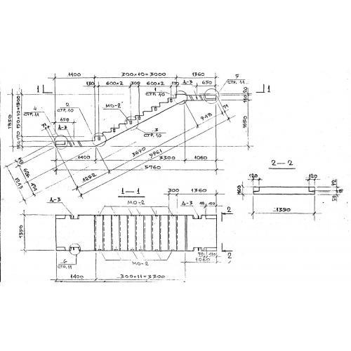
Лестничные марши ЛМ 33-60-10 имеют следующие размеры:
1. Длина – 5760 ;
2. Ширина – 1050 ;
3. Высота – 1650 ;
4. Объем бетона - 0,96 ;
5. Геометрический объем - 9,9792 ;
6. Вес - 2400 .
4. Основные материалы для изготовления.
Производство лестничных маршей ЛМ 33-60-10 строго регламентировано существующими стандартами. Применяется технология вибропрессования, как наиболее оправданная для изделий повышенной ответственности. Формование производится "лицом" вниз. Прочность достигается за счет вибрирования, когда из бетонной исходной смеси выгоняются все пузырьки воздуха. Бетон тяжелых марок (именно такой применяется в технологии производства ЖБ-лестниц) уплотняется, набирая высокую прочность.
Марка прочности на сжатие составляет М300. Класс бетона В25. Характеристики бетона должны отвечать самым высоким требованиям. Усиление конструкции производится при помощи металлической арматура класса стали А111. Не допускается применение сварных сеток С5.
За счет очень высокой прочности и жесткости конструкции готовых изделий ЛМ 33-60-10 может применяться в условиях сейсмоактивности до 9 баллов по шкале Рихтера. Бетон обладает высокой водонепроницаемостью до W4, что позволяет применять марши данного типа в условиях повышенной влажности.
Допускается действие агрессивной среды, например, действие отрицательных температур до -35 градусов. Морозостойкость соответствует марке F300, то есть не менее трехсот циклов полного промерзания и последующего размораживания. Данные параметры достигаются за счет применения высококачественных инертных материалов – высокомарочные портландцементы, гравийный щебень мелких фракций, мелкозернистый песок. Марш ЛМ 33-60-10 может подготавливаться под покраску или шлифовку.
5. Транспортировка и хранение.
Лестничные марши прямые ЛМ 33-60-10 транспортируют "на боку" с соблюдением всех правил безопасности. Для перевозки используют спецтранспорт. Это могут быть длинномеры высокой грузоподъемности. Используют деревянные подкладки, чтобы исключить разрушение элементов. При разгрузке не допускается сброс изделий или их навал. Используются специальные погрузчики. Хранение осуществляется в штабелях.
| Основные | |
|---|---|
| Производитель | Собственное производство |
| Страна производитель | Беларусь |
| Пользовательские характеристики | |
| Марка бетона | М300 |
| Состояние | Новое |
- Цена: от 10 руб.
ЗАО «ФРС-Групп»
222302, РБ, Минская обл., г. Молодечно, ул. Великий Гостинец, 143Б, пом. 18, к. 432
Дата регистрации в Торговом реестре/Реестре бытовых услуг: Не подлежит занесению в реестр
Номер в Торговом реестре/Реестре бытовых услуг: Не подлежит занесению в реестр, Республика Беларусь
УНП: 692258268
Регистрационный орган: Молодечненский районный исполнительный комитет
Дата регистрации компании: 20.01.2022
Режим работы:
| День | Время работы |
|---|---|
| Понедельник | 09:00-18:00 |
| Вторник | 09:00-18:00 |
| Среда | 09:00-18:00 |
| Четверг | 09:00-18:00 |
| Пятница | 09:00-18:00 |
| Суббота | Выходной |
| Воскресенье | Выходной |