
Панели ПР 16-28-15 с
Панели ПР 16-28-15 с
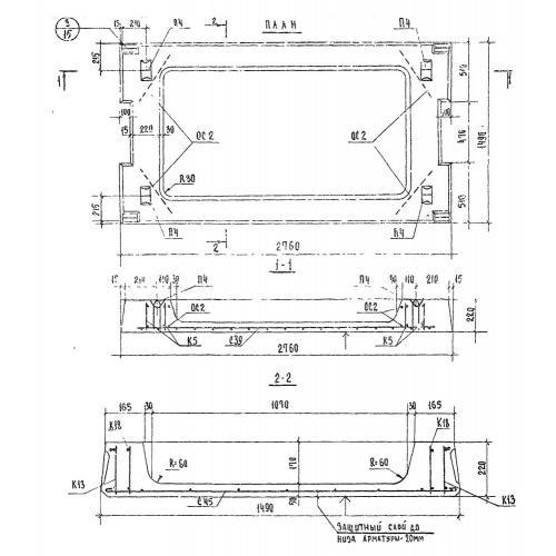
Размеры:
- Длинна: 2760 мм.
- Ширина: 1490 мм.
- Высота: 220 мм.
- Вес: 1190 кг.
- ГОСТ, Серия: Серия ИИ 04-4 скачать
- Объем бетона: 0,476 м3
- Геометрический объем: 0,9047 м3
- Цена: договорная
Стандарт изготовления изделия: Серия ИИ 04-4
Плиты перекрытия ребристые ПР 16-28-15 с представляют собой высокопрочные прямоугольные строительные элементы. На торцевых гранях конструкций присутствуют выступы. Характерное отличие изделий наличие выступающего ребра, проходящего по всему периметру строительного изделия.
Применяются индустриальные ребристые плиты в сфере гражданского строительства при возведении жилых домов, общественных сооружений и административно-бытовых учреждений, возводимых на территориях с вечномерзлыми грунтами. Допускается использование для сооружений с сеткой колонн 6х6; 6х4,5 и 6х3м с навесными или самонесущими стенами. Чаще всего изделия устанавливаются в зонах, требующих устройства отверстий под коммуникации или диафрагм жесткости. Размер отверстий в санитарных плитах оговаривается с заказчиком заранее. Конструкции запроектированы под расчетную нагрузку, равную 1600 кг/м2 в соответствии с требованиями СН 382-67. При проектировании учитывались рекомендации СНиП II-B.1-62.
Маркировочные обозначения
На строительные элементы в обязательном порядке наносятся специальные маркировочные обозначения. Они содержат главную информацию об отличительных особенностях конструкций и также отражаются в спецификациях. Совокупность символов ПР 16-28-15 с имеет следующую расшифровку:
1. ПР - тип конструкции - плита перекрытия ребристая;
2. 16 - расчетная нагрузка;
3. 28 - длина (дм);
4. 15 - ширина (дм);
Дополнительно в конце маркировочного обозначения могут прописываться индексы:
1. с связевая панель (п пристенная).
Запрещено произвольно корректировать маркировочные обозначения.
Особенности производства
Подробно ознакомиться с деталями производственного процесса плит покрытия ребристых ПР 16-28-15 с можно на страницах Серии ИИ 04-4. Для обеспечения высокого качества готовой продукции для изготовления конструкций следует применять стальные опалубочные формы, так как они позволяют точно передать геометрические пропорции, представленные на рабочих чертежах. В качестве главного материала могут быть использованы следующие марки бетона: М200, М250, М300, М350, М400. Морозостойкость и водонепроницаемость подбираются индивидуально под эксплуатационные условия.
Армируются конструкции сварными сетками, у торцов размещаются «опорные сетки», позволяющие придать прочность конструкции. Продольные и поперечные ребра армируются плоскими каркасами. Для изготовления металлических составляющих могут быть использованы следующие виды армирования: проволока В1 по ГОСТ 6727-53, сталь классов AIII, AIV по ГОСТ 5781-61, ATV по ГОСТ 10884-64. Качество сварных конструкций должно отвечать требованиям ГОСТ 10922-64. Подъёмные петли производятся из стали класса AI марок ВМст3сп2 и ВМСт3пс2 по ГОСТ 380-71. Для предотвращения раннего развития коррозионных образований следует покрывать металлические составляющие специальными составами и выдерживать проектную величину защитного бетонного слоя.
Перед поставкой потребителю изделия обязательно проходят приемосдаточные испытания.
Транспортировка и хранение
Складирование и транспортировка ребристых плит ПР 16-28-15 с должны осуществляться с соблюдением техники безопасности и СНиП I-B.5-62. Подъем должен производиться при помощи траверс, гарантирующих вертикальность строп с углом наклона не менее 60 градусов. Места опирания при складировании расположены на расстоянии 350 мм от торцов по всей ширине конструкций. Важно беречь строительные материалы от возникновения любых механических повреждений.
| Основные | |
|---|---|
| Производитель | Собственное производство |
| Страна производитель | Беларусь |
| Марка бетона | М400 |
| Тип плиты перекрытия | Ребристая |
- Цена: от 10 руб.
ЗАО «ФРС-Групп»
222302, РБ, Минская обл., г. Молодечно, ул. Великий Гостинец, 143Б, пом. 18, к. 432
Дата регистрации в Торговом реестре/Реестре бытовых услуг: Не подлежит занесению в реестр
Номер в Торговом реестре/Реестре бытовых услуг: Не подлежит занесению в реестр, Республика Беларусь
УНП: 692258268
Регистрационный орган: Молодечненский районный исполнительный комитет
Дата регистрации компании: 20.01.2022
Режим работы:
| День | Время работы |
|---|---|
| Понедельник | 09:00-18:00 |
| Вторник | 09:00-18:00 |
| Среда | 09:00-18:00 |
| Четверг | 09:00-18:00 |
| Пятница | 09:00-18:00 |
| Суббота | Выходной |
| Воскресенье | Выходной |