
Плиты покрытий 3ПДС 6-2 тп
Плиты покрытий 3ПДС 6-2 тп
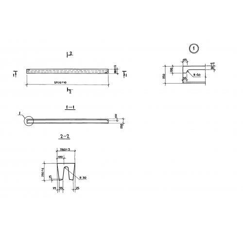
Размеры:
- Длинна: 5970 мм.
- Ширина: 260 мм.
- Высота: 250 мм.
- Вес: 725 кг.
- ГОСТ, Серия: Серия 1.865.1-4/89 скачать
- Объем бетона: 0,29 м3
- Геометрический объем: 0,3881 м3
- Цена: договорная
Стандарт изготовления изделия: Серия 1.865.1-4/89
Плиты покрытия доборные 3ПДС 6-2 тп унифицированные железобетонные изделия прямоугольной формы, имеющие по краям выступающие ребра, предающие элементам вид буквы «П». Конструкции запроектированы трех типов по ширине: 30, 50 и 60 см. Минимальная длина опирания ребер плит должна составлять 60 мм.
Высокопрочные доборные плиты используются для обустройства покрытия одноэтажных сельскохозяйственных зданий, шаг стропильных конструкций в которых составляет 6 м. Применяются с кровлей из асбестоцементных волнистых листов и рулонной кровлей при уклоне до 25%. Они служат надежной защитой от атмосферных осадков для сельскохозяйственных сооружений. Доборные элементы предназначены для применения при необходимости перекрыть кровлю малой ширины, когда использование стандартных плит ввиду значительных размеров не приемлемо. Изделия позволяют «добрать» необходимую величину, требуемую для окончания застройки объекта. Использование конструкций допускается с 1 по 4 географических районов по весу снегового покрова. Допускается использование в районах с сейсмичностью от 7 до 9 баллов по шкале Рихтера.
Расшифровка маркировки
На поверхности элементов наносятся специальные цифробуквенные индексы, упрощающие поиск необходимых изделий в номенклатурном ряду. Согласно Серии 1.865.1-4/89 знаки 3ПДС 6-2 тп будет трактоваться следующим образом:
1. 3 типоразмер конструкции по ширине;
2. ПДС плита покрытия для сельскохозяйственных зданий;
3. 6 длина;
4. 2 значение нагрузки;
5. т индекс типа бетона (т тяжелый, л легкий);
6. п индекс, указывающий на стойкость к воздействию агрессивной газообразной среды (н бетон нормальной проницаемости для слабоагрессивной среды, п бетон пониженной проницаемости для среднеагрессивной среды).
Материалы и производство
Для изготовления плит покрытий 3ПДС 6-2 тп используется конструкционный бетон по ГОСТ 25192-82. Основные виды применяемого бетона: тяжелый средней плотности от 2200 кгс/м3; легкий с плотной структурой, марка по средней плотности Д1800. Класс бетона по прочности на сжатие рассчитывается исходя из несущей способности конструкций. В нормативном документе Серия 1.865.1-4/89 изделия запроектированы с классом бетона В15.
Водонепроницаемость и морозостойкость подбираются в зависимости от климатических особенностей района застройки и условий эксплуатации. Для слабоагрессивной среды водонепроницаемость составляет W4 (индекс «н»), для снеднеагрессивной W6 (индекс «п»).
Для армирования сварных каркасов и сеток применяется стержневая высокопрочная сталь класса AIII по ГОСТ 5781-82. Дополнительно используется проволока Bp-I по ГОСТ 6727-80.Марка стали для изготовления закладных деталей поддирается исходя из температурных условий во время монтажа. Монтажные петли выполняются из арматурной стали класса AI марки С245. Все металлические элементы в обязательном порядке проходят специальную антикоррозионную обработки.
Изделия относятся к категории несгораемых конструкций с пределом огнестойкости 0,25 часа.
Транспортировка и хранение
Для хранения плит покрытия 3ПДС 6-2 тп необходимо заранее выровнять площадку. Укладка производится горизонтально в штабеля высотой до 2,5 м. Между изделиями необходимо прокладывать деревянные доски вблизи монтажных петель. Толщина подкладочного материала должна быть больше выступающих частей на 2 см.
Транспортировка осуществляется специализированным транспортом горизонтальными штабелями с использованием инвентарных подкладок. Важно соблюдать все требования правил по технике безопасности.
| Основные | |
|---|---|
| Производитель | Собственное производство |
| Страна производитель | Беларусь |
| Марка бетона | М300 |
| Тип плиты перекрытия | Ребристая |
- Цена: от 10 руб.
ЗАО «ФРС-Групп»
222302, РБ, Минская обл., г. Молодечно, ул. Великий Гостинец, 143Б, пом. 18, к. 432
Дата регистрации в Торговом реестре/Реестре бытовых услуг: Не подлежит занесению в реестр
Номер в Торговом реестре/Реестре бытовых услуг: Не подлежит занесению в реестр, Республика Беларусь
УНП: 692258268
Регистрационный орган: Молодечненский районный исполнительный комитет
Дата регистрации компании: 20.01.2022
Режим работы:
| День | Время работы |
|---|---|
| Понедельник | 09:00-18:00 |
| Вторник | 09:00-18:00 |
| Среда | 09:00-18:00 |
| Четверг | 09:00-18:00 |
| Пятница | 09:00-18:00 |
| Суббота | Выходной |
| Воскресенье | Выходной |