
Плиты ребристые 1ПГ 6-7 АIV
Плиты ребристые 1ПГ 6-7 АIV
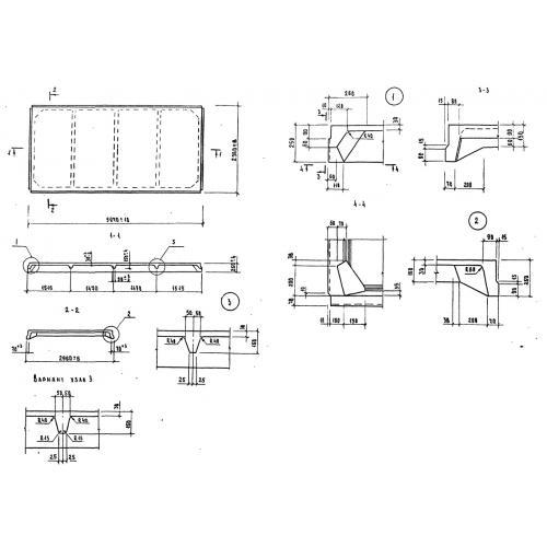
Размеры:
- Длинна: 5970 мм.
- Ширина: 2980 мм.
- Высота: 250 мм.
- Вес: 2250 кг.
- ГОСТ, Серия: Серия 1.065.1-2.94 скачать
- Объем бетона: 0,9 м3
- Геометрический объем: 4,4477 м3
- Цена: договорная
Стандарт изготовления изделия: Серия 1.065.1-2.94
Плиты ребристые 1ПГ 6-7 АIV – это доборные ЖБИ, имеющие П-образную форму и специальное отверстие на основной плоскости под установку вентилятора. Конструктивно платформа по всей длине с боков имеет два продольных ребра жесткости. Плита может иметь различные технологические отверстия, вырезы и углубления на гранях жесткости (используются для обустройства шпонок в смежных элементах). Все особенности отражены техническим проектом. Данные элементы применяют в тех случаях, когда плоские панели не обладают должной несущей способностью.
Ребристые плиты благодаря напряженному каркасу армирования способны воспринимать колоссальные вертикальные нагрузки, а также активно работать в условиях временных, статических и динамических, а также сжимающих и изгибающих нагрузок. Плиты 1ПГ 6-7 АIV – это высокопрочные, надежные и долговечные изделия, которые выпускают согласно самым жестким требованиям действующих стандартов.
1. Варианты маркировки.
Плиты ребристые 1ПГ 6-7 АIV маркируют согласно Серии 1.065.1-2.94 с целью легкой и удобной сортировки готовой продукции. В обозначении указывают ключевые данные, по которым можно подобрать нужные типоразмеры плит перекрытия. Маркировочные знаки пишут разными вариантами. Основные из них:
1. 1ПГ 6-7 АIV;
2. 1ПГ 6.7 AIV;
3. 1ПГ 6 7 AIV.
2. Основная сфера использования.
Плиты марки 1ПГ 6-7 АIV применяют в строительстве зданий и сооружений различного назначения. Получают из этих изделий плоские и очень прочные потолки. Чаще всего используют элементы для чердачных перекрытий, а также при сооружении одноэтажных общественных зданий и промышленных построек с шагом колонн до 6 м. В жилищном строительстве платформы с ребрами используют очень редко. Это связано с тем, что выступающие вниз балки не позволяют создать ровные потолки.
Элементы не только воспринимают собственный вес, а также массу вышерасположенных частей здания, в том числе, вес кровли и возможных залежей снега в зимний период, распределяя все напряжения на нижерасположенные несущие конструкции.
3. Обозначение маркировки.
Плиты ребристые 1ПГ 6-7 АIV обозначают по условиям Серии 1.065.1-2.94. Буквенно-цифровая комбинация отражает тип изделия, его основной типоразмер, тип армирования, номер несущей способности и иногда указывают условное пометка легкого бетона буквой "л", также может быть указан ряд характеристик – сейсмическая устойчивость, стойкость к средам агрессивного характера и прочие.
Основные характеристики 1ПГ 6-7 АIV:
1. 1 – индекс ширины – 3 м.;
2. ПГ – плита ребристая глухая;
3. 6 – пролет, указывается в м.;
4. 17 – несущая способность;
5. AIV – класс армирования.
Дополнительные характеристики ребристых плит:
Длина = 5970;
Ширина = 2980;
Высота = 250;
Вес = 2250;
Объем бетона = 0,9;
Геометрический объем = 4,4477.
4. Основные характеристики материалов.
Плиты 1ПГ 6-7 АIV изготавливают из различных по плотности бетонов. Эксплуатация может осуществляться в самых разных условиях, поэтому бетон должен отвечать требованиям по стойкости к действию отрицательных температур – морозостойкость марки F50. Устанавливается достаточно низкое водопоглощение бетона влаги – не более 4% или водонепроницаемость марки W4. Если подразумевается использование изделий в химически агрессивной среде, то в состав бетонной смеси вводят специальные присадки, повышающие эксплуатационные показатели материала, а также способствующие также газо- и водонепроницаемости, и повышению стойкости к биологическому загниванию. Армируют ребристые платформы хомутовыми каркасами (высота конструкции составляет 250 мм.), а также отдельными стержнями класса стали А400 и термически упрочненными прутками из стали Ат500 (арматура с предварительным напряжением). Полки армируют цельными сварными сетками. Поверхность бетона покрывается антикоррозионными и гидрофобными составами.
5. Транспортировка и хранение.
Плиты ребристые 1ПГ 6-7 АIV транспортируют спецтранспортом требуемой грузоподъемности. Элементы укладывают в горизонтальное положение, между собой изолируют деревянными подкладками. Погрузо-разгрузочный комплекс выполняется квалифицированным персоналом и только с использованием спецтехники. Не допускается сброс и навал изделий. Хранение осуществляется в ровных стопках по 7 штук в высоту. Слои также прокладывают досками или щитами толщиной 2-3 см.
| Основные | |
|---|---|
| Производитель | Собственное производство |
| Страна производитель | Беларусь |
| Марка бетона | М300 |
| Тип плиты перекрытия | Ребристая |
- Цена: от 10 руб.
ЗАО «ФРС-Групп»
222302, РБ, Минская обл., г. Молодечно, ул. Великий Гостинец, 143Б, пом. 18, к. 432
Дата регистрации в Торговом реестре/Реестре бытовых услуг: Не подлежит занесению в реестр
Номер в Торговом реестре/Реестре бытовых услуг: Не подлежит занесению в реестр, Республика Беларусь
УНП: 692258268
Регистрационный орган: Молодечненский районный исполнительный комитет
Дата регистрации компании: 20.01.2022
Режим работы:
| День | Время работы |
|---|---|
| Понедельник | 09:00-18:00 |
| Вторник | 09:00-18:00 |
| Среда | 09:00-18:00 |
| Четверг | 09:00-18:00 |
| Пятница | 09:00-18:00 |
| Суббота | Выходной |
| Воскресенье | Выходной |