
Плиты перекрытия ПП 20-1-2 б
Плиты перекрытия ПП 20-1-2 б
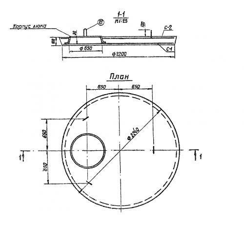
Размеры:
- Длинна: 2240 мм.
- Ширина: 2240 мм.
- Высота: 100 мм.
- Вес: 900 кг.
- ГОСТ, Серия: Серия 3.820-9 скачать
- Объем бетона: 0,36 м3
- Геометрический объем: 0,5018 м3
- Цена: договорная
Стандарт изготовления изделия: Серия 3.820-9
Плиты перекрытия колодцев ПП 20-1-2 б – железобетонные изделия, предназначенные для применения в гидротехнических сооружениях различного функционального назначения на закрытой оросительной и осушительной сети. Изделия имеют ровную гладкую поверхность. Плиты перекрытия колодцев имеют круглую форму с наличием отверстия, предназначенного для установки люков либо доборных элементов. Конструкции изготавливаются из высококачественного материала, поэтому они долговечны в эксплуатации. Данный железобетонный элемент придает надежность и прочность всей конструкции. Плиты перекрытия так же называют крышками колодцев. Данный вид железобетонных изделий используются для закрытия колодца и кроме того плиты позволяют обезопасить от падения в колодец.
Расшифровка маркировки
Каждое железобетонное изделие имеет условное обозначение. Плиты перекрытия колодцев ПП 20-1-2 б маркируются согласно Серии 3.820-9. Рассмотрим более подробно маркировку ПП 20-1-2 б:
1. ПП – плита перекрытия;
2. 20 – диаметр кольца, к которому относится данная конструкция.
3. 1 – порядковый номер типоразмера;
4. 2 – несущая способность;
5. б – наличие отверстия.
На изделии принято наносить отметки, не только о маркировке, но и о дополнительных особенностях. Краска для нанесения маркировочных обозначений должна иметь в составе компоненты, которые способствуют высокому сопротивлению атмосферным осадкам, влагоустойчивости, а так же устойчивости к воздействиям вредоносных факторов внешней среды. Также обязательно должна быть указана дата выпуска и штамп отдела контроля качества.
Основные характеристики и изготовление
Изготовление плит перекрытия колодцев ПП 20-1-2 б регулируется нормативным документом, а именно Серией 3.820-9. Железобетонные изделия изготавливают по стандартной технологии вибропрессования. Используемые материалы должны отвечать требованиям морозостойкости, водонепроницаемости и трещиностойкости.
Для армирования изделий рекомендуется применять горячекатаную арматурную сталь класса A-III, согласно требованиям ГОСТ 5781-61. Арматура в обязательном порядке должна соответствовать рабочим чертежам по ГОСТ 5781-61. Обнажение арматуры не допускается. В качестве основного материала применяется гидротехнический бетон М200 по ГОСТ 4795-68. Бетон, который используется при производстве, обязательно подвергается воздействию разного рода факторов – температурным изменениям, замораживанию, влажности. Принимают готовую продукцию партиями, все изделия должны быть изготовлены по одной технологии, из материалов одного качества. Они должны соответствовать не только стандартам по прочности и устойчивости к внешним воздействиям, но также и требованиям к аккуратной наружности, гладкости поверхности, правильности геометрии.
Транспортировка и хранение
Транспортировка и хранение плит перекрытия колодцев ПП 20-1-2 б должны осуществляться на специально оснащенном транспорте при использовании специального оборудования. Укладываются изделия в горизонтальном положении, это предотвращает их деформацию. При перевозке плит, важно их хорошо укрепить специальными фиксаторами для полного предохранения от смещений. Маркировка железобетонных изделий всегда должна хорошо просматриваться. При погрузочно-разгрузочных работах необходимо соблюдать осторожность, чтобы не повредить плиты. Их запрещено скидывать, подвергать толчкам и падениям.
| Основные | |
|---|---|
| Производитель | Собственное производство |
| Страна производитель | Беларусь |
| Марка бетона | М400 |
- Цена: от 10 руб.
ЗАО «ФРС-Групп»
222302, РБ, Минская обл., г. Молодечно, ул. Великий Гостинец, 143Б, пом. 18, к. 432
Дата регистрации в Торговом реестре/Реестре бытовых услуг: Не подлежит занесению в реестр
Номер в Торговом реестре/Реестре бытовых услуг: Не подлежит занесению в реестр, Республика Беларусь
УНП: 692258268
Регистрационный орган: Молодечненский районный исполнительный комитет
Дата регистрации компании: 20.01.2022
Режим работы:
| День | Время работы |
|---|---|
| Понедельник | 09:00-18:00 |
| Вторник | 09:00-18:00 |
| Среда | 09:00-18:00 |
| Четверг | 09:00-18:00 |
| Пятница | 09:00-18:00 |
| Суббота | Выходной |
| Воскресенье | Выходной |