
Плиты перекрытия лотков П 19-11 а
Плиты перекрытия лотков П 19-11 а
Размеры:
- Длинна: 2990 мм.
- Ширина: 2160 мм.
- Высота: 250 мм.
- Вес: 4040 кг.
- ГОСТ, Серия: Серия 3.006.1-2/87 скачать
- Объем бетона: 1,61 м3
- Геометрический объем: 1,6146 м3
- Цена: договорная
Стандарт изготовления изделия: Серия 3.006.1-2/87
Плиты перекрытия лотков П 19-11 а получили широкое распространение в строительной сфере. Их разнообразие позволяет построить с их помощью практически любое здание. Плита П 19-11 а представляет собой железобетонную плиту прямоугольной формы, предназначенную для перекрытия водосточных и канализационных каналов, собранных из лотков.
Важным моментом при монтаже теплотрасс из сборных элементов является быстрота и практичность монтажных работ. В дальнейшем теплотрассы, собранные с использованием плитных элементов, обеспечивают удобство проведение плановых проверок и ремонтных работ. Элементы легко снимаются и устанавливаются на место при регулярном техническом обслуживании теплотрасс. Трубы меняются, а плиты перекрытия лотков П 19-11 а прослужат намного дольше, ведь высокая прочность изделий отвечает самым высоким эксплуатационным характеристикам.
1.Варианты маркировки.
Маркировка плит перекрытия лотков представляет собой буквенно-цифровую комбинацию, согласно действующему Регламенту Серия 3.006.1-2.87. Существует несколько вариантов маркирования плит:
1. П 19-11 а;
2. П 19.11 а.
2.Основная сфера применения.
Основная сфера применения плит перекрытия П 19-11 а обустройство теплотрасс и тоннелей для прокладки теплопроводов. За счет своей универсальности плиты нашли гораздо большее применение в строительстве. Благодаря высокой прочности железобетонной плиты перекрытия обеспечивается максимальная сохранность проложенных коммуникаций в теплотрассах при движениях грунта и иных деформациях.
Использование железобетонных лотков значительно облегчает обустройство трубопроводов и иных коммуникаций, а плиты перекрытия Серии 3.006.1-2.87 служат достойной защитой для различных коммуникаций от различных воздействий и механических повреждений. Также могут использоваться как дополнительная теплоизоляция коммуникационных сетей. Плиты перекрывают лотки сверху, но возможен вариант использования, когда плитный элемент укладывают на грунт, а сверху накрывается перевернутым лотком, а стыки свариваются. При таком использовании плита является днищем железобетонного канала.
Основное назначение плиты П 19-11 а обеспечение высокой плотности канала, а также сохранность инженерных коммуникаций, проложенных под землей, от агрессивных факторов: излишней влаги, перепадов температуры и обвалов грунта.
Плиты перекрытия лотков чаще всего используют для сооружения тепловых трасс. Стоит отметить, что область их применения не ограничивается только строительством энергообъектов. Изделие П 19-11 а востребовано и в других областях строительства, поскольку имеет высокую степень теплоизоляции, высокую прочность, что позволяет выдерживать значительные нагрузки. Чаще всего теплотрассы с использованием плит перекрытия лотков П 19-11 а выполняют подземной прокладкой на глубине 0,5-6 м. Основной фактор, от которого плиты защищают трубы и другие инженерные коммуникации, это агрессивная (в основном щелочная среда грунтов) окружающая среда.
3.Обозначение маркировки изделия.
Обозначение плит перекрытия лотков состоит из комбинации букв и цифр, что выполняется согласно Серии 3.006.1-2.87 и означает:
1. П плита;
2. 19 порядковый номер элемента;
3. 11 эквивалентная нагрузка в тс/м2;
4. а с рабочей арматурой, расположенной в верхней зоне.
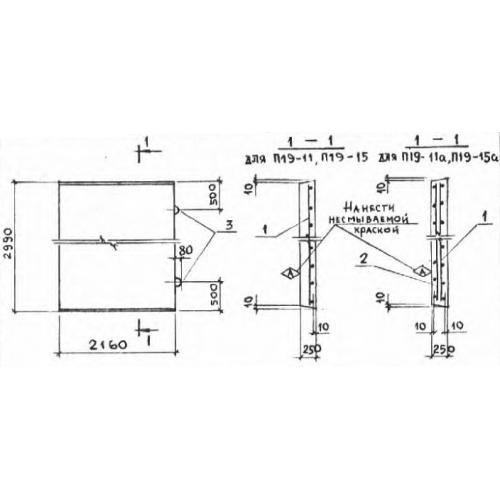
Плиты перекрытия лотков П 19-11 а имеют габаритные размеры 2990х2160х250 , где: указывается длина, ширина и высота, а также порядковый номер размерной группы, расчетная нагрузка. Геометрический объем данного изделия составляет 1,6146 , объем бетона - 1,61 . Общий вес изделия 4040 . Все обозначения наносят специальной краской на боковую грань плиты.
4.Основные характеристики и материалы для изготовления.
Изготавливают плиты П 19-11 а методом вибропрессования. Бетон берется марки М200 и М300, что соответствует классу по прочности на сжатие не менее чем В15. Также используют высокие классы по морозостойкости и водонепроницаемости. Для повышения прочности плиты обязательно армируют согласно ГОСТ 5781-82 горячекатаными или предварительно напряженными прутками класса А-I и A-III. В качестве армирующего элемента используют сетки тип С 1-4-1. Стальной каркас покрывают слоем бетона не менее чем на 20 см. Дополнительно внедряют монтажные петли УП 1-4. При эксплуатации в грунтах с повышенной кислотностью железобетонные изделия обрабатываются антикоррозионными и другими защитными составами. Такая же защита наносится и на арматуру для плит П 19-11 а . При монтаже используется как петлевой, так и беспетлевой способ. Во втором случае используют строповочные отверстия.
5.Транспортировка и хранение.
Перевозка плит перекрытия лотков производится в "рабочем" положении "на ребро", при этом обязательно подкладывают деревянные доски. Все плитные элементы должны быть плотно закреплены. Хранят изделия штабелями, высота которых не превышает 2,5 метра.
| Основные | |
|---|---|
| Производитель | Собственное производство |
| Страна производитель | Беларусь |
| Вид железобетонного изделия | Лоток |
| Марка бетона | М300 |
| Пользовательские характеристики | |
| Состояние | Новое |
- Цена: от 10 руб.
ЗАО «ФРС-Групп»
222302, РБ, Минская обл., г. Молодечно, ул. Великий Гостинец, 143Б, пом. 18, к. 432
Дата регистрации в Торговом реестре/Реестре бытовых услуг: Не подлежит занесению в реестр
Номер в Торговом реестре/Реестре бытовых услуг: Не подлежит занесению в реестр, Республика Беларусь
УНП: 692258268
Регистрационный орган: Молодечненский районный исполнительный комитет
Дата регистрации компании: 20.01.2022
Режим работы:
| День | Время работы |
|---|---|
| Понедельник | 09:00-18:00 |
| Вторник | 09:00-18:00 |
| Среда | 09:00-18:00 |
| Четверг | 09:00-18:00 |
| Пятница | 09:00-18:00 |
| Суббота | Выходной |
| Воскресенье | Выходной |