
Плоские подкладки ПП 3
Плоские подкладки ПП 3
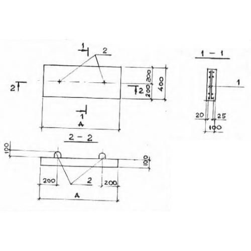
Размеры:
- Длинна: 1000 мм.
- Ширина: 400 мм.
- Высота: 100 мм.
- Вес: 110 кг.
- ГОСТ, Серия: Серия 3.006.1-2/87 скачать
- Объем бетона: 0,04 м3
- Геометрический объем: 0,04 м3
- Цена: договорная
Стандарт изготовления изделия: Серия 3.006.1-2/87
Плиты перекрытия лотков ПП 3 – плоские подкладки специального назначения, которые играют немаловажную роль в строительстве каналов, тепловых трасс, тоннелей и прочих технических строений из лотковых составляющих. Форма прямоугольная сплошная. Прокладка производится при помощи специальных строповочных петель УП2-1. Опорные подкладки обеспечивают правильную и безопасную "работу" всего сооружения.
1. Варианты написания маркировки.
Плоские подкладки ПП 3 маркируют согласно Серии 3.006.1-2.87 и указывают согласно данному стандарту не только тип железобетонного изделия, но и размерный ряд (типоразмер элемента). Написание марки может быть произведено несколькими вариантами. Например:
1. ПП 3 ;
2. ПП-3.
2. Основная сфера применения.
Железобетонные подкладки – важная составляющая часть для строительства надежного и долговечного канала или теплотрассы. Их используют для увеличения жесткости конструкции в местах стыка лотковых элементов, в местах возможного смещения и прочих "сложных" участков. Очень эффективно применяют плиты опорные ПП 3 в местности с просадочными грунтами. Допускается применение в зонах, где стояние грунтовых вод очень высокое, а почвы насыщены влагой. Используют ПП 3 во всех местах, где существует угроза частых землетрясений и повреждения коммуникаций, разрыва труб, проседание трассы и в прочих нестандартных условиях эксплуатации инженерного сооружения. Во всех этих случаях под лотковые стыки укладывают плоские подкладки тип ПП.
Канал в местах стыков, который построен с применением таких элементов, способен выдержать сейсмическую активность до 9 баллов по шкале Рихтера. На прямолинейных участках подкладки не используют, так как прочности железобетонных элементов достаточно, чтобы обеспечить нужную прочность и устойчивость технического сооружения. Обязательно производится подготовка песчаного основания, на которое будет производиться укладка ЖБ-плит. Достаточно подсыпать 10 см. слоя песка. Используют мелкие фракции, устойчивые к промерзанию и пучению грунта.
Плиты данного типа могут применяться не только для подземной прокладки теплотрасс и каналов, но и под автодорожными полотнами. Глубина заложения изделий достигает до 6 метров. Это обозначает, что стыковой элемент воспринимает колоссальные нагрузки, поэтому изготовление плит перекрытия лотков ПП 3 строго регламентировано и подвергается жесткому контролю. ЖБ-подкладка ПП не применяется в качестве днищ каналов и для перекрытия зданий.
3. Маркировка и основные расшифровки.
Подкладки ПП 3 маркируют согласно Серии 3.006.1-2.87 и указывают тип изделия и основной типоразмер. Может быть указана стойкость к действию внешней среды дополнительной буквой – "Н". Все знаки должны быть нанесены на боковую грань изделия несмываемой краской черного цвета. Указывают также товарный знак компании-производителя, массу элемента и дату производства.
Основные данные по маркировке плит ПП 3 :
1. Длина – 1000 .
2. Ширина –400 .
3. Высота – 100 .
4. Геометрический объем – 0,04 ;
5. Объем бетона – 0,04 .
6. Масса – 110 .
4. Основные материалы для изготовления и характеристики.
Материалы, из которых изготовлены плиты перекрытия лотков ПП 3 , должны отвечать самых жестким требованиям, так как эксплуатация проводится в достаточно агрессивных условиях. Бетон тяжелых марок должен выдерживать колоссальные нагрузки на сжатие. Для этого для изделий используют марку М200 и М300, или класс прочности – В15 и В25.
В условиях подземной прокладки на значительной глубине плиты ПП 3 испытывают сжимающие нагрузки. Разрушение элемента предотвращает специальное усиление конструкции. Для армирования используют две стальные сварные сетки – тип С4-5 (на каждое изделие) класса стали не менее чем А-I и A-III согласно ГОСТ 5781-82. Немалое внимание уделяет свойствам бетона, как водонепроницаемость – марка не менее чем W4, морозостойкость – марка не менее чем F300 и трещиностойкость. Все эти характеристики гарантируют, что ПП 3 выдержат длительную эксплуатацию в любых условиях, включая размывающее действие грунтовых вод и землетрясение до 9 баллов по шкале Рихтера.
5. Транспортировка и хранение.
Транспортируют плиты перекрытия лотков ПП 3 в горизонтальном положении с применением спецтранспорта. Перевозка должна производиться с соблюдением всех правил техники безопасности. Хранение осуществляется в штабелях. Обязательно изделия укладывают на деревянные доски или любой изолирующий материал, который позволит сохранить изделия в надлежащем состоянии.
| Основные | |
|---|---|
| Производитель | Собственное производство |
| Страна производитель | Беларусь |
| Марка бетона | М300 |
| Пользовательские характеристики | |
| Состояние | Новое |
- Цена: от 10 руб.
ЗАО «ФРС-Групп»
222302, РБ, Минская обл., г. Молодечно, ул. Великий Гостинец, 143Б, пом. 18, к. 432
Дата регистрации в Торговом реестре/Реестре бытовых услуг: Не подлежит занесению в реестр
Номер в Торговом реестре/Реестре бытовых услуг: Не подлежит занесению в реестр, Республика Беларусь
УНП: 692258268
Регистрационный орган: Молодечненский районный исполнительный комитет
Дата регистрации компании: 20.01.2022
Режим работы:
| День | Время работы |
|---|---|
| Понедельник | 09:00-18:00 |
| Вторник | 09:00-18:00 |
| Среда | 09:00-18:00 |
| Четверг | 09:00-18:00 |
| Пятница | 09:00-18:00 |
| Суббота | Выходной |
| Воскресенье | Выходной |