
Плоские подкладки ПП 11
Плоские подкладки ПП 11
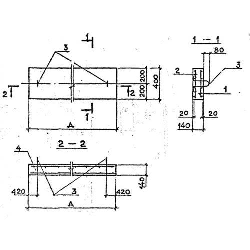
Размеры:
- Длинна: 3850 мм.
- Ширина: 400 мм.
- Высота: 140 мм.
- Вес: 540 кг.
- ГОСТ, Серия: Серия 3.006.1-8 скачать
- Объем бетона: 0,215 м3
- Геометрический объем: 0,2156 м3
- Цена: договорная
Стандарт изготовления изделия: Серия 3.006.1-8
Плоские подкладки под стыки сборных элементов канала ПП 11 нашли самое широкое применение, как в строительной сфере, так и в других направлениях. Так прокладка трубопроводов или других коммуникационных сетей в каналах невозможно без использования ПП 11 .
Данные изделия изготавливают с использованием закладных стальных каркасов для увеличения прочности. Стоит отметить, что высокопрочные железобетонные изделия, как и плоские подкладки ПП 11 применяют на просадочных и других "сложных" грунтах, а также в районах с повышенной сейсмической активностью, силой по шкале Рихтера включительно до 9 баллов.
1.Варианты написания маркировки.
Плоские подкладки ПП 11 под стыки сборных элементов регламентируются и изготавливаются согласно действующему Стандарту – Серия 3.006.1-8. В данный документ включено буквенное обозначение – тип железобетонного изделия, а также цифровое обозначение – размерная группа. Пример написания маркировки:
1. ПП 11;
2. ПП-11.
2.Основная сфера применения.
Плоские подкладки ПП 11 применяют в строительстве канальных и тоннельных сооружений. При обустройстве железобетонных каналов подкладки используются под стыки сборных элементов. Также ПП 11 применяют совместно с опорными подушками, изделия берутся однотиповой размерной группы. Данные изделия служат для обустройства трасс и тоннелей из лотковых элементов и представляют собой железобетонную плоскую плиту.
Подкладки ПП 11 размещают в стыковых узлах тоннелей с целью увеличения прочности сооружения и избегания его смещения под действием изгибающих нагрузок. Подкладка полностью предохраняет перелом трубопроводов в местах просадки грунтов или при подмыве грунтовыми водами канала, что делает плоские подкладки из железобетона – основным элементом при организации прочности технического сооружения. Под лотковые стыки подкладки необходимо проложить и при высокой сейсмичности. Прокладывают плиты в грунтах с низким уровнем грунтовых вод на подготовленное песчано-щебеночное основание, которое дополнительно утрамбовывают. Высота основания должна быть не менее 10 см.
Плоские подкладки ПП 11 используют только в сборных элементах и подкладывают в местах стыков. В других случаях подкладки не используют, так как прочности железобетонных лотков вполне достаточно. Прокладка подкладок для каналов может быть осуществлена как наземным, так и подземным способом. Однако чаще данные железобетонные плиты используют в условия подземной прокладки на глубине до 6 метров. Так как данная глубина достаточно значительна, то плоские подкладки должны соответствовать требованиям по стойкости к вертикальным нагрузкам до 15 тс/м2. ПП 11 не используется в качестве днищ каналов, а также в гражданском строительстве.
3.Маркировка изделия.
Маркирование плоских подкладок ПП 11 производится согласно Серии 3.006.1-8 и включает обозначение габаритных размеров и условное обозначение типа железобетонного изделия. ПП – плоская перемычка, имеет размеры 3850х400х140 , где соответственно указаны длина, ширина и высота.
Дополнительно указывают расчетную нагрузку, которые плиты гарантированно должны выдерживать. Устойчивость к агрессивным средам указывается литерой "Н". Маркировка наносится на боковую грань плиты несмываемой краской. Геометрический объем составляет - 0,2156 , расход бетона - 0,215 , вес изделия – 540 .
4.Материалы и характеристики изделий ПП 11 .
Изготавливают плоские подкладки ПП 11 из тяжелых бетонов марки по прочности на сжатие не менее М200, класс прочности – В15. Бетон также должен отвечать требованиям по морозостойкости (не менее 300 циклов замораживания-размораживания) и классу водонепроницаемости W4. За счет дополнительной гидрофобной обработке железобетонное изделие имеют высокую стойкость к атмосферным воздействиям.
Дополнительная прочность получается за счет армирования плиты стальным каркасом (тип сетки С5-15 и С5-18). Горячекатаные или предварительно напряженные прутки арматурной проволоки должны соответствовать классу А-I и A-III по ГОСТ 5781-82. Дополнительно производится антикоррозионная обработка стальных элементов. Кроме этого, в бетонную смесь добавляют пластификаторы и присадки. Так как плоские подкладки для сборных элементов каналов имеют значительный вес, то монтаж производится при помощи строповочных отверстий.
5.Транспортировка и хранение.
Транспортировка ПП 11 производится при помощи спецтранспорта в горизонтальном положении с дополнительной фиксацией стопки. Слои прокладывают деревянными досками. Хранят подкладки в штабелях высотой до 2,5 метров.
| Основные | |
|---|---|
| Производитель | Собственное производство |
| Страна производитель | Беларусь |
| Марка бетона | М300 |
| Пользовательские характеристики | |
| Состояние | Новое |
- Цена: от 10 руб.
ЗАО «ФРС-Групп»
222302, РБ, Минская обл., г. Молодечно, ул. Великий Гостинец, 143Б, пом. 18, к. 432
Дата регистрации в Торговом реестре/Реестре бытовых услуг: Не подлежит занесению в реестр
Номер в Торговом реестре/Реестре бытовых услуг: Не подлежит занесению в реестр, Республика Беларусь
УНП: 692258268
Регистрационный орган: Молодечненский районный исполнительный комитет
Дата регистрации компании: 20.01.2022
Режим работы:
| День | Время работы |
|---|---|
| Понедельник | 09:00-18:00 |
| Вторник | 09:00-18:00 |
| Среда | 09:00-18:00 |
| Четверг | 09:00-18:00 |
| Пятница | 09:00-18:00 |
| Суббота | Выходной |
| Воскресенье | Выходной |